三菱变频器FR-D800系列外形尺寸
三菱变频器FR-D800系列外形尺寸
时间:2026-01-15 06:15:20 来源:未知 作者:admin 点击:192次
三菱变频器FR-D800系列外形尺寸
FR-D800系列继承了FR-D700系列的优点,
在保持较小级别尺寸的同时,兼顾了易用性、易选性以及对环境的考量。

·FR-D820-0.1K-O08、FR-D820-0.2K-014、FR-D820-0.4K-025、FR-D820-0.75K-042
·FR-D840-0.4K-012、FR-D840-0.75K-022、FR-D840-1.5K-037
·FR-D820S-0.1K-O08、FR-D820S-O.2K-014、FR-D820S-0.4K-025、FR-D820S-0.75K-042
·FR-D810W-0.1K-O08、FR-D810W-O.2K-014、FR-D810W-0.4K-025

·FR-D820-1.5K-070、FR-D820-2.2K-100、FR-D820-3.7K-165、FR-D820-5.5K-238、FR-D820-7.5K318
·FR-D840-2.2K-050、FR-D840-3.7K-081、FR-D840-5.5K-120、FR-D840-7.5K-163
·FR-D820S-1.5K-070、FR-D820S-2.2K-100
·FR-D810W-0.75K-042

·单相100V等级

·单相200V等级

·三相200V等级

·三相400V等级

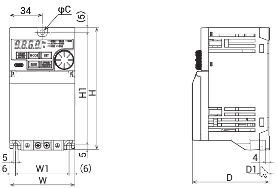
FR-D840,FR-D820,FR-D820S,FR-D810W,FR-D800外形尺寸
三菱原装PLC、伺服、触摸屏价格优惠,有专业的技术团队,提供产品选型、自动化编程、工程改造等,FR-D800现货销售,欢迎咨询!
FR-D800系列继承了FR-D700系列的优点,
在保持较小级别尺寸的同时,兼顾了易用性、易选性以及对环境的考量。

·FR-D820-0.1K-O08、FR-D820-0.2K-014、FR-D820-0.4K-025、FR-D820-0.75K-042
·FR-D840-0.4K-012、FR-D840-0.75K-022、FR-D840-1.5K-037
·FR-D820S-0.1K-O08、FR-D820S-O.2K-014、FR-D820S-0.4K-025、FR-D820S-0.75K-042
·FR-D810W-0.1K-O08、FR-D810W-O.2K-014、FR-D810W-0.4K-025

·FR-D820-1.5K-070、FR-D820-2.2K-100、FR-D820-3.7K-165、FR-D820-5.5K-238、FR-D820-7.5K318
·FR-D840-2.2K-050、FR-D840-3.7K-081、FR-D840-5.5K-120、FR-D840-7.5K-163
·FR-D820S-1.5K-070、FR-D820S-2.2K-100
·FR-D810W-0.75K-042

·单相100V等级

·单相200V等级

·三相200V等级

·三相400V等级

FR-D840,FR-D820,FR-D820S,FR-D810W,FR-D800外形尺寸
三菱原装PLC、伺服、触摸屏价格优惠,有专业的技术团队,提供产品选型、自动化编程、工程改造等,FR-D800现货销售,欢迎咨询!
本页关键词:FR-D840,FR-D820,FR-D820S,FR-D810W,FR-D800外形尺寸